Siete qui: catalogo ·coppia·torsiometro 01324Descrizione: torsiometro rotativo di tipo "shaft" serie 01324, idoneo per misure di coppie dinamiche (campi di misura da ±0,35 a ±2'260 Nm).
Torsiometri rotativi di tipo "shaft" per la misura di coppie dinamiche (campi di misura da ±0,35 Nm a ±2'260 Nm)
Torsiometro Serie 01324: generalità
I torsiometri rotativi della serie 01324 sono dei dispositivi meccanici basati su strain gauges (estensimetri), pensati per il rilievo di coppie di rotazione (orarie
ed antiorarie), con velocità di rotazione massima fino a 5000 rpm.
Tipicamente questi torsiometri si prestano quindi per il monitoraggio di coppie sviluppate da organi rotanti, quali ad esempio motori, attuatori rotativi, etc., oppure per
l'approntamento di sistemi di studio (es. banchi prova), di tipo dinamico. Quando equipaggiati con l'opzione encoder, i torsiometri di questa serie possono offrire il rilievo
della posizione angolare, o la velocità di rotazione (rpm), in combinata con il segnale di coppia meccanica, costituendo pertanto un sistema di rilievo adeguato per la caratterizzazione
di motori elettrici. La costruzione leggera robusta e compatta, la possibilità di sostituire i cuscinetti ed il gruppo spazzole (realizzate con impasto grafite-argento), attivo su
collettori realizzati in silver coin massiccio (quindi virtualmente non usurabili), rendono di fatto il torsiometro 01324 un trasduttore affidabile, pensato per durare
nel tempo. Il torsiometro serie 01324 è disponibile secondo un’ampia gamma di campi di misura (tutti basati su una configurazione di strain gauges da 1'000 ohms
disposti a ponte di Weathstone intero), compresa tra 0,35 e 2'260 Nm, con diverse dimensioni di albero e conseguenti connessioni meccaniche.
Quando fornito congiuntamente a dispositivi di misura o con visualizzatori offerti sempre dallo stesso costruttore del torsiometro (SDI), è possibile richiedere il
trasduttore di coppia completato dalla funzione di autoidentificazione, grazie alla quale i dati di calibrazione, univoci, del singolo torsiometro, vengono immagazzinati
su un modulo di memoria E2prom, e resi disponibili per automatica "scalizzazione" e calibrazione dello strumento di volta in volta collegato al trasduttore di coppia
(per maggiori informazioni riferirsi al relativo articolo tecnico su opzione AutoID).
Torsiometro Serie 01324: caratteristiche principali
trasduttori di coppia termocompensati;
buona accuratezza di misura, limitata isteresi;
possibilità di opzione AutoID per autoidentificazione;
costruzione corpo sensore senza saldature, lavorato da barra piena;
ampia gamma di campi di misura disponibili (da ±0,35 Nm a ±2'260 Nm);
possibilità di encoder integrato per rilievo posizione angolare e/o rpm;
velocità di rotazione fino a 5000 rpm (contattateci per velocità superiori);
collettori massicci in lega Ag-Cu (silver coin), con spazzole in grafite ed argento;
torsiometro fornito completo di certificato di calibrazione A2LA(1), senza costi aggiuntivi.
Torsiometro Serie 01324: cenni costruttivi
La struttura metallica a corpo unico del torsiometro 01324, viene ottenuta per lavorazione meccanica da barra metallica piena, in modo da evitare strutture sensorie
assemblate o saldate, che ovviamente peggiorerebbero la prestazione finale del trasduttore di coppia (sia in termini di accuratezza complessiva, ma soprattutto sotto forma di
errore di isteresi). Tipicamente questa struttura metallica ospite viene sagomata in modo particolare rispetto al tipo di sollecitazione meccanica per cui la stessa
viene finalizzata,
in modo da poter rilevare e "concentrare" gli effetti del fenomeno meccanico applicato (coppia meccanica), in zone specifiche della struttura stessa. In queste stesse zone,
vengono deposte ed incollate delle resistenze estensimetriche (strain gauges), che hanno la prerogativa di modificare il loro valore ohmico (valore resistivo), in
funzione della sollecitazione meccanica alla quale sono state sottoposte: questi estensimetri sono quindi elettricamente collegati a ponte di Weathstone intero,
configurazione che offre la massima sensibilità per ogni minimo fenomeno fisico applicato, rispetto alla condizione di equilibrio a riposo.
Ulteriore componentistica di tipo passivo assolve alla termocompensazione del torsiometro, correggendo le derive termiche di zero e di span degli estensimetri,
procurandone altresì il bilanciamento di zero (riduzione della figura di offset), in modo che il segnale di trasduzione a riposo, coincida, per quanto possibile,
con lo zero elettrico. Tipicamente, la configurazione di estensimetri viene poi protetta con strati protettivi in elastomero (o altri materiali plastici) e/o con gusci
metallici esterni protettivi.
I trasduttori di coppia di questa serie non sono amplificati, si comportano quindi come dispositivi passivi puramente raziometrici, e per tale ragione il loro segnale
di uscita viene tipicamente definito come mV/V, ovvero mV di segnale per Volt di alimentazione: esemplificando e considerando un trasduttore di coppia con segnale di
uscita pari a 2 mV/V, alimentato a 10 Vcc, si intende che lo span del segnale offerto, è pari a 2 mV x 10 Vcc => 20 mV di segnale (±20 mV per dispositivi
bidirezionali, quali appunto il torsiometro, utilizzabile sia per sollecitazione oraria che antioraria).
L'accoppiamento elettrico tra la parte sensibile rotante
(albero del torsiometro), e il contenitore statorico costruttivo esterno, viene realizzato mediante collettori costruiti in silver coin massiccio (lega in Ag e Cu,
che per sua natura è altamente conduttiva), il cui ossido superficiale (che abbia eventualmente a svilupparsi, ad esempio in caso di prolungato inutilizzo), è un conduttore
ancor migliore del silver coin stesso: soltanto utilizzando questi materiali, sarà infatti possibile veicolare segnali di pochi mV, anche ad elevate velocità di rotazione.
Opzionalmente, i torsiometri di questa serie possono essere dotati di pick-up magnetico da 60 impulsi/giro, oppure di encoder ottici da 1024 impulsi/giro
(per campi fino a ±226 Nm) e 1500 impulsi/giro (per campi da ±565 Nm ed oltre), integrabili "a scomparsa", internamente alla costruzione del torsiometro (le opzioni sono
tra loro autoscludenti): ovviamente, la presenza di queste opzioni richiede un connettore (standard MIL), caratterizzato da un numero di poli maggiore.
Il contenitore del torsiometro 01324 (in alluminio), dispone di un foro filettato laterale, utilizzabile per eventuale fissaggio (con vite), a supportazione che ne
impedisca la rotazione (indotta per trascinamento dall'albero rotante): ove questo fissaggio sia ritenuto inadeguato, si segnala la possibiltà di piastra di fissaggio
inferiore (opzione footmount), visionabile nei disegni disponibili più sotto.
Per applicazioni in ambito aerospaziale, o comunque ove sia richiesta l'operabilità dei torsiometri serie 01325 hex in condizioni di vuoto e/o in presenza di temperature
estreme, si segnala la possibilità di richiedere questi torsiometri in esecuzione speciale (vacuum rated ed extreme temperature rated).
Torsiometro Serie 01324: codifica modelli e campi di misura
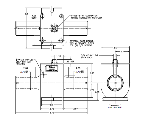
Torsiometro Serie 01324 (campi da 0,35 a 7,06 Nm): disegno quotato
Le dimensioni indicate si intendono in inches.
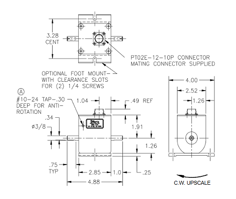
Torsiometro Serie 01324 (campi da 12 a 226 Nm): disegno quotato
Le dimensioni indicate si intendono in inches.
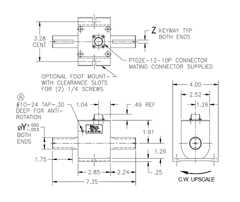
Torsiometro Serie 01324 (campi da 565 a 2'260 Nm): disegno quotato
Le dimensioni indicate si intendono in inches.
Note:
(1) - Ogni trasduttore di coppia è fornito completo di certificati di taratura redatti direttamente dal costruttore (SDI), con riferibilità NIST
(National Institute of Standard Technologies - USA), e comunque in accordo alle normative di riferimento ISO/IEC 17025:2005 ed ANSI/NCSL Z540-1-1994. Si segnala inoltre che il laboratorio interno ad SDI è
accreditato A2LA, organismo che persegue il mutuo riconoscimento delle certificazioni emesse, insieme ai firmatari degli ulteriori accordi internazionali
quali ad esempio APLAC, IAAC, e ILAC MRA (International Laboratory Accreditation Cooperation). Conferme circa la sottoscrizione dell’accordo MRA (Mutual
Recognition Agreement di ILAC) da parte di A2LA, possono essere ottenute tramite il seguente hyperlink:
http://www.a2la.org/recognition/cooplabs.cfm, mentre per quanto riguarda il nostro ente di riferimento
Accredia (Ex SIT - Servizio di Taratura in Italia), parte del circuito Europeo EA
(European Accreditation, che a sua volta persegue l'accordo multilaterale EA MLA), consigliamo di prendere completa ed attenta
visione del seguente hyperlink: https://www.accredia.it/chi-siamo/rete-internazionale/.
Per quanto indicato, le certificazioni A2LA prodotte da SDI (a corredo di ogni trasduttore di coppia fornito), sono ritenute equipollienti alle certificazioni
emesse con titolo Accredia: poiché gli hyperlinks descritti possono essere fatti oggetto di spostamenti e/o aggiornamenti, in caso di ogni possibile dubbio,
Vi invitiamo a contattare direttamente l'organismo Accredia onde verificare l'effettiva consistenza e rispondenza di quanto sopra indicato.
(2) - Gli errori statici del torsiometro sono espressi come deviazione massima tra la retta reale e quella ideale e quindi il dato è privo di segno; altri costruttori esprimono queste figure di errore come
comprese tra una banda di valori, tipicamente definita tra ±½ della massima deviazione, quali ad esempio la notazione BSL (Best Straight Line - Line of Best Fit), per la quale tipicamente l'errore è invece
definito in una banda di errore (±0,0x %FS). Per maggiori delucidazioni, è possibile prendere visione circa le terminologie utilizzate dal costruttore, per esprimere le caratteristiche di errore riferite ai propri
trasduttori di coppia (Transducer Definitions).
Siete qui: catalogo · coppia· torsiometro 01324 Descrizione: torsiometro rotativo di tipo "shaft" serie 01324, idoneo per misure di coppie dinamiche (campi di misura da ±0,35 a ±2'260 Nm).
Torsiometro rotativo serie 01324
Torsiometri rotativi di tipo "shaft" per la misura di coppie dinamiche (campi di misura da ±0,35 Nm a ±2'260 Nm)
Torsiometro Serie 01324: generalità
I torsiometri rotativi della serie 01324 sono dei dispositivi meccanici basati su strain gauges (estensimetri), pensati per il rilievo di coppie di rotazione (orarie ed antiorarie), con velocità di rotazione massima fino a 5000 rpm.
Tipicamente questi torsiometri si prestano quindi per il monitoraggio di coppie sviluppate da organi rotanti, quali ad esempio motori, attuatori rotativi, etc., oppure per
l'approntamento di sistemi di studio (es. banchi prova), di tipo dinamico. Quando equipaggiati con l'opzione encoder, i torsiometri di questa serie possono offrire il rilievo
della posizione angolare, o la velocità di rotazione (rpm), in combinata con il segnale di coppia meccanica, costituendo pertanto un sistema di rilievo adeguato per la caratterizzazione
di motori elettrici. La costruzione leggera robusta e compatta, la possibilità di sostituire i cuscinetti ed il gruppo spazzole (realizzate con impasto grafite-argento), attivo su
collettori realizzati in silver coin massiccio (quindi virtualmente non usurabili), rendono di fatto il torsiometro 01324 un trasduttore affidabile, pensato per durare
nel tempo. Il torsiometro serie 01324 è disponibile secondo un’ampia gamma di campi di misura (tutti basati su una configurazione di strain gauges da 1'000 ohms
disposti a ponte di Weathstone intero), compresa tra 0,35 e 2'260 Nm, con diverse dimensioni di albero e conseguenti connessioni meccaniche.
Quando fornito congiuntamente a dispositivi di misura o con visualizzatori offerti sempre dallo stesso costruttore del torsiometro (SDI), è possibile richiedere il trasduttore di coppia completato dalla funzione di autoidentificazione, grazie alla quale i dati di calibrazione, univoci, del singolo torsiometro, vengono immagazzinati su un modulo di memoria E2prom, e resi disponibili per automatica "scalizzazione" e calibrazione dello strumento di volta in volta collegato al trasduttore di coppia (per maggiori informazioni riferirsi al relativo articolo tecnico su opzione AutoID).
Torsiometro Serie 01324: caratteristiche principali
Torsiometro Serie 01324: cenni costruttivi
La struttura metallica a corpo unico del torsiometro 01324, viene ottenuta per lavorazione meccanica da barra metallica piena, in modo da evitare strutture sensorie assemblate o saldate, che ovviamente peggiorerebbero la prestazione finale del trasduttore di coppia (sia in termini di accuratezza complessiva, ma soprattutto sotto forma di errore di isteresi). Tipicamente questa struttura metallica ospite viene sagomata in modo particolare rispetto al tipo di sollecitazione meccanica per cui la stessa viene finalizzata,
in modo da poter rilevare e "concentrare" gli effetti del fenomeno meccanico applicato (coppia meccanica), in zone specifiche della struttura stessa. In queste stesse zone,
vengono deposte ed incollate delle resistenze estensimetriche (strain gauges), che hanno la prerogativa di modificare il loro valore ohmico (valore resistivo), in
funzione della sollecitazione meccanica alla quale sono state sottoposte: questi estensimetri sono quindi elettricamente collegati a ponte di Weathstone intero,
configurazione che offre la massima sensibilità per ogni minimo fenomeno fisico applicato, rispetto alla condizione di equilibrio a riposo.
Ulteriore componentistica di tipo passivo assolve alla termocompensazione del torsiometro, correggendo le derive termiche di zero e di span degli estensimetri,
procurandone altresì il bilanciamento di zero (riduzione della figura di offset), in modo che il segnale di trasduzione a riposo, coincida, per quanto possibile,
con lo zero elettrico. Tipicamente, la configurazione di estensimetri viene poi protetta con strati protettivi in elastomero (o altri materiali plastici) e/o con gusci
metallici esterni protettivi.
(albero del torsiometro), e il contenitore statorico costruttivo esterno, viene realizzato mediante collettori costruiti in silver coin massiccio (lega in Ag e Cu,
che per sua natura è altamente conduttiva), il cui ossido superficiale (che abbia eventualmente a svilupparsi, ad esempio in caso di prolungato inutilizzo), è un conduttore
ancor migliore del silver coin stesso: soltanto utilizzando questi materiali, sarà infatti possibile veicolare segnali di pochi mV, anche ad elevate velocità di rotazione.
I trasduttori di coppia di questa serie non sono amplificati, si comportano quindi come dispositivi passivi puramente raziometrici, e per tale ragione il loro segnale di uscita viene tipicamente definito come mV/V, ovvero mV di segnale per Volt di alimentazione: esemplificando e considerando un trasduttore di coppia con segnale di uscita pari a 2 mV/V, alimentato a 10 Vcc, si intende che lo span del segnale offerto, è pari a 2 mV x 10 Vcc => 20 mV di segnale (±20 mV per dispositivi bidirezionali, quali appunto il torsiometro, utilizzabile sia per sollecitazione oraria che antioraria). L'accoppiamento elettrico tra la parte sensibile rotante
Opzionalmente, i torsiometri di questa serie possono essere dotati di pick-up magnetico da 60 impulsi/giro, oppure di encoder ottici da 1024 impulsi/giro (per campi fino a ±226 Nm) e 1500 impulsi/giro (per campi da ±565 Nm ed oltre), integrabili "a scomparsa", internamente alla costruzione del torsiometro (le opzioni sono tra loro autoscludenti): ovviamente, la presenza di queste opzioni richiede un connettore (standard MIL), caratterizzato da un numero di poli maggiore.
Il contenitore del torsiometro 01324 (in alluminio), dispone di un foro filettato laterale, utilizzabile per eventuale fissaggio (con vite), a supportazione che ne impedisca la rotazione (indotta per trascinamento dall'albero rotante): ove questo fissaggio sia ritenuto inadeguato, si segnala la possibiltà di piastra di fissaggio inferiore (opzione footmount), visionabile nei disegni disponibili più sotto.
Per applicazioni in ambito aerospaziale, o comunque ove sia richiesta l'operabilità dei torsiometri serie 01325 hex in condizioni di vuoto e/o in presenza di temperature estreme, si segnala la possibilità di richiedere questi torsiometri in esecuzione speciale (vacuum rated ed extreme temperature rated).
Torsiometro Serie 01324: codifica modelli e campi di misura
Torsiometro Serie 01324: caratteristiche tecniche
Torsiometro Serie 01324: documentazione di riferimento
Torsiometro Serie 01324 (campi da 0,35 a 7,06 Nm): disegno quotato
Le dimensioni indicate si intendono in inches.
Torsiometro Serie 01324 (campi da 12 a 226 Nm): disegno quotato
Le dimensioni indicate si intendono in inches.
Torsiometro Serie 01324 (campi da 565 a 2'260 Nm): disegno quotato
Le dimensioni indicate si intendono in inches.
Note:
(1) - Ogni trasduttore di coppia è fornito completo di certificati di taratura redatti direttamente dal costruttore (SDI), con riferibilità NIST (National Institute of Standard Technologies - USA), e comunque in accordo alle normative di riferimento ISO/IEC 17025:2005 ed ANSI/NCSL Z540-1-1994. Si segnala inoltre che il laboratorio interno ad SDI è accreditato A2LA, organismo che persegue il mutuo riconoscimento delle certificazioni emesse, insieme ai firmatari degli ulteriori accordi internazionali quali ad esempio APLAC, IAAC, e ILAC MRA (International Laboratory Accreditation Cooperation). Conferme circa la sottoscrizione dell’accordo MRA (Mutual Recognition Agreement di ILAC) da parte di A2LA, possono essere ottenute tramite il seguente hyperlink: http://www.a2la.org/recognition/cooplabs.cfm, mentre per quanto riguarda il nostro ente di riferimento Accredia (Ex SIT - Servizio di Taratura in Italia), parte del circuito Europeo EA (European Accreditation, che a sua volta persegue l'accordo multilaterale EA MLA), consigliamo di prendere completa ed attenta visione del seguente hyperlink: https://www.accredia.it/chi-siamo/rete-internazionale/.
Per quanto indicato, le certificazioni A2LA prodotte da SDI (a corredo di ogni trasduttore di coppia fornito), sono ritenute equipollienti alle certificazioni emesse con titolo Accredia: poiché gli hyperlinks descritti possono essere fatti oggetto di spostamenti e/o aggiornamenti, in caso di ogni possibile dubbio, Vi invitiamo a contattare direttamente l'organismo Accredia onde verificare l'effettiva consistenza e rispondenza di quanto sopra indicato.
(2) - Gli errori statici del torsiometro sono espressi come deviazione massima tra la retta reale e quella ideale e quindi il dato è privo di segno; altri costruttori esprimono queste figure di errore come comprese tra una banda di valori, tipicamente definita tra ±½ della massima deviazione, quali ad esempio la notazione BSL (Best Straight Line - Line of Best Fit), per la quale tipicamente l'errore è invece definito in una banda di errore (±0,0x %FS). Per maggiori delucidazioni, è possibile prendere visione circa le terminologie utilizzate dal costruttore, per esprimere le caratteristiche di errore riferite ai propri trasduttori di coppia (Transducer Definitions).
©1998-2019 Spare srl
Nel redigere il presente documento é stata prestata la massima cura affinché i relativi contenuti potessero riflettere le caratteristiche del prodotto descritto con la massima accuratezza: nonostante questi sforzi, in nessun caso Spare srl potrà essere fatta responsabile e/o perseguibile per eventuali inesattezze. Inoltre, in un ottica di continuo sviluppo e miglioramento dei prodotti proposti, si segnala che le informazioni riportate potrebbero essere non aggiornate all'ultima versione, in quanto ogni costruttore riserva i propri diritti nel poter ritirare o modificare la propria documentazione di prodotto, in ogni momento, senza preavviso. Conseguentemente, si consiglia di verificare, all'atto dell'acquisto, la veridicità e il grado di aggiornamento delle informazioni stesse.